1R-ET *7
Radialkolbenpumpe mit 1Förderstrom und 7Kolben
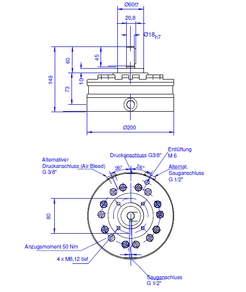
Gewicht: 13,7 kg
| Kolben-Typ | Vg | Q (0 bar) | p(max) | Q | P |
|---|---|---|---|---|---|
| Z7 | 1.58 cm³/U | 2.29 l/min | 700 bar | 2.18 l/min | 0.82 kW |
| Z7S | 0.99 cm³/U | 1.43 l/min | 700 bar | 1.36 l/min | 0.51 kW |
| A7 | 2.81 cm³/U | 4.08 l/min | 550 bar | 3.88 l/min | 1.46 kW |
| A7S | 1.76 cm³/U | 2.55 l/min | 550 bar | 2.42 l/min | 0.91 kW |
| B7 | 4.4 cm³/U | 6.37 l/min | 450 bar | 6.06 l/min | 2.28 kW |
| B7S | 2.75 cm³/U | 3.98 l/min | 450 bar | 3.78 l/min | 1.43 kW |
| C7 | 6.33 cm³/U | 9.18 l/min | 350 bar | 8.72 l/min | 3.29 kW |
| C7S | 3.96 cm³/U | 5.74 l/min | 350 bar | 5.45 l/min | 2.06 kW |
| D7 | 7.43 cm³/U | 10.77 l/min | 300 bar | 10.23 l/min | 3.86 kW |
| D7S | 4.64 cm³/U | 6.73 l/min | 300 bar | 6.4 l/min | 2.41 kW |
| E7 | 8.62 cm³/U | 12.49 l/min | 250 bar | 11.87 l/min | 4.48 kW |
| E7S | 5.39 cm³/U | 7.81 l/min | 250 bar | 7.42 l/min | 2.8 kW |
| F7 | 9.89 cm³/U | 14.34 l/min | 200 bar | 13.62 l/min | 5.14 kW |
| F7S | 6.18 cm³/U | 8.96 l/min | 200 bar | 8.52 l/min | 3.21 kW |
