1R-ET *10
Radial piston pump with1Flow rate and10piston
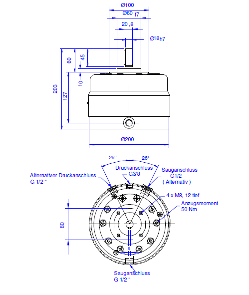
weight: 20,2 kg
| Piston type | Vg | Q (0 bar) | p(max) | Q | P |
|---|---|---|---|---|---|
| Z10 | 2.26 cm³/U | 3.28 l/min | 700 bar | 3.11 l/min | 1.17 kW |
| A10 | 4.02 cm³/U | 5.83 l/min | 550 bar | 5.54 l/min | 2.09 kW |
| B10 | 6.28 cm³/U | 9.11 l/min | 450 bar | 8.65 l/min | 3.26 kW |
| C10 | 9.04 cm³/U | 13.11 l/min | 350 bar | 12.46 l/min | 4.7 kW |
| D10 | 10.61 cm³/U | 15.39 l/min | 300 bar | 14.62 l/min | 5.52 kW |
| E10 | 12.31 cm³/U | 17.85 l/min | 250 bar | 16.96 l/min | 6.4 kW |
| F10 | 14.13 cm³/U | 20.49 l/min | 200 bar | 19.46 l/min | 7.34 kW |
