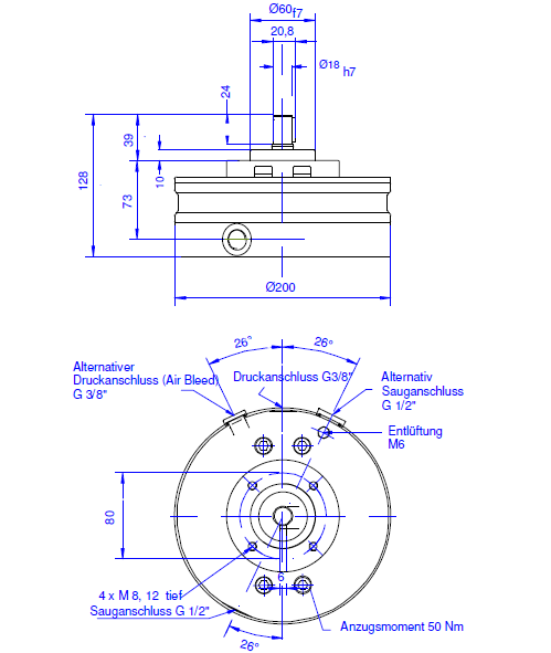
1R-ET *2
Radial piston pump with1Flow rate and2piston
weight: 10,9 kg
| Piston type | Vg | Q (0 bar) | p(max) | Q | P |
|---|---|---|---|---|---|
| Z2 | 0.45 cm³/U | 0.66 l/min | 700 bar | 0.62 l/min | 0.23 kW |
| Z2S | 0.28 cm³/U | 0.41 l/min | 700 bar | 0.39 l/min | 0.15 kW |
| A2 | 0.8 cm³/U | 1.17 l/min | 550 bar | 1.11 l/min | 0.42 kW |
| A2S | 0.5 cm³/U | 0.73 l/min | 550 bar | 0.69 l/min | 0.26 kW |
| B2 | 1.26 cm³/U | 1.82 l/min | 450 bar | 1.73 l/min | 0.65 kW |
| B2S | 0.79 cm³/U | 1.14 l/min | 450 bar | 1.08 l/min | 0.41 kW |
| C2 | 1.81 cm³/U | 2.62 l/min | 350 bar | 2.49 l/min | 0.94 kW |
| C2S | 1.13 cm³/U | 1.64 l/min | 350 bar | 1.56 l/min | 0.59 kW |
| D2 | 2.12 cm³/U | 3.08 l/min | 300 bar | 2.92 l/min | 1.1 kW |
| D2S | 1.33 cm³/U | 1.92 l/min | 300 bar | 1.83 l/min | 0.69 kW |
| E2 | 2.46 cm³/U | 3.57 l/min | 250 bar | 3.39 l/min | 1.28 kW |
| E2S | 1.54 cm³/U | 2.23 l/min | 250 bar | 2.12 l/min | 0.8 kW |
| F2 | 2.83 cm³/U | 4.1 l/min | 200 bar | 3.89 l/min | 1.47 kW |
| F2S | 1.77 cm³/U | 2.56 l/min | 200 bar | 2.43 l/min | 0.92 kW |
