1R-ET *3

Radial piston pump with1Flow rate and3piston

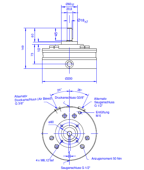
weight: 11,5 kg

inputvalue
Drive speedn = rpm
operating pressurep = bar
Piston type Vg Q (0 bar) p(max) Q P
Z3 0.68 cm³/U 0.98 l/min 700 bar 0.93 l/min 0.35 kW
Z3S 0.42 cm³/U 0.61 l/min 700 bar 0.58 l/min 0.22 kW
A3 1.21 cm³/U 1.75 l/min 550 bar 1.66 l/min 0.63 kW
A3S 0.75 cm³/U 1.09 l/min 550 bar 1.04 l/min 0.39 kW
B3 1.88 cm³/U 2.73 l/min 450 bar 2.6 l/min 0.98 kW
B3S 1.18 cm³/U 1.71 l/min 450 bar 1.62 l/min 0.61 kW
C3 2.71 cm³/U 3.93 l/min 350 bar 3.74 l/min 1.41 kW
C3S 1.7 cm³/U 2.46 l/min 350 bar 2.34 l/min 0.88 kW
D3 3.18 cm³/U 4.62 l/min 300 bar 4.39 l/min 1.65 kW
D3S 1.99 cm³/U 2.89 l/min 300 bar 2.74 l/min 1.03 kW
E3 3.69 cm³/U 5.35 l/min 250 bar 5.09 l/min 1.92 kW
E3S 2.31 cm³/U 3.35 l/min 250 bar 3.18 l/min 1.2 kW
F3 4.24 cm³/U 6.15 l/min 200 bar 5.84 l/min 2.2 kW
F3S 2.65 cm³/U 3.84 l/min 200 bar 3.65 l/min 1.38 kW