1R-ET *5
Radialkolbenpumpe mit 1Förderstrom und 5Kolben
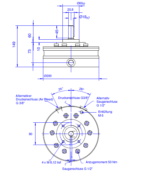
Gewicht: 12,7 kg
| Kolben-Typ | Vg | Q (0 bar) | p(max) | Q | P |
|---|---|---|---|---|---|
| Z5 | 1.13 cm³/U | 1.64 l/min | 700 bar | 1.56 l/min | 0.59 kW |
| Z5S | 0.71 cm³/U | 1.02 l/min | 700 bar | 0.97 l/min | 0.37 kW |
| A5 | 2.01 cm³/U | 2.91 l/min | 550 bar | 2.77 l/min | 1.04 kW |
| A5S | 1.26 cm³/U | 1.82 l/min | 550 bar | 1.73 l/min | 0.65 kW |
| B5 | 3.14 cm³/U | 4.55 l/min | 450 bar | 4.33 l/min | 1.63 kW |
| B5S | 1.96 cm³/U | 2.85 l/min | 450 bar | 2.7 l/min | 1.02 kW |
| C5 | 4.52 cm³/U | 6.56 l/min | 350 bar | 6.23 l/min | 2.35 kW |
| C5S | 2.83 cm³/U | 4.1 l/min | 350 bar | 3.89 l/min | 1.47 kW |
| D5 | 5.31 cm³/U | 7.69 l/min | 300 bar | 7.31 l/min | 2.76 kW |
| D5S | 3.32 cm³/U | 4.81 l/min | 300 bar | 4.57 l/min | 1.72 kW |
| E5 | 6.15 cm³/U | 8.92 l/min | 250 bar | 8.48 l/min | 3.2 kW |
| E5S | 3.85 cm³/U | 5.58 l/min | 250 bar | 5.3 l/min | 2 kW |
| F5 | 7.07 cm³/U | 10.24 l/min | 200 bar | 9.73 l/min | 3.67 kW |
| F5S | 4.42 cm³/U | 6.4 l/min | 200 bar | 6.08 l/min | 2.29 kW |
